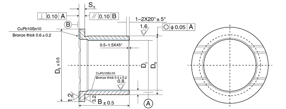
| D f1 ±0,5 | S 3 ±0,05 | D o | D1 | S f1 | B ±05 | ||
| 44 | 3.5 | 36 | -0,15 -0,10 | 30 | 3 | -0,15 -0,10 | 40 |
| 45 | 4 | -0,03 -0,08 | 30 | ||||
| 60 | 3.5 | 41 | -0,13 -0,08 | 35 | -0,09 -0,15 | 42 | |
| 52 | 4 | 0 -0,05 | 35 | ||||
| 54 | 3.5 | 42 | -0,10 -0,05 | 3.5 | -0,02 -0,07 | 30 | |
| 60 | 4.52 | 44 | -0,14 -0,09 | 40 | 2 | -0,03 -0,08 | 39.5 |
| 53 | 4.5 | 40 | |||||
| 60 | 4 | 39.5 | |||||
| 66 | 4 | 45 | 2.4 | 40 | |||
| 60 | 4.5 | 46 | 8 | 3 | 39.5 | ||
| 61 | 4 | 0 -0,05 | 40 | ||||
| 62 | 4 | 47 | -0,13 -0,07 | 3.5 | -0,08 -0,13 | 49 | |
| 70 | 4.5 | 54 | -0,19 -0,14 | 50 | 2 | -0,03 -0,08 | 53 |
| 68 | 4.52 | 54.9 | -0,045 -0,005 | 48 | 3.5 | -0,045 -0,095 | 41.3 |
| 70 | 3.5 | 56 | -0,16 -0,11 | 50 | 3 | -0,09 -0,14 | 48 |
| 76 | 3.5 | 57 | -0,10 -0,05 | 3.5 | 0.01 -0,04 | 54 | |
| 70.5 | 8 | 58 | -0,14 -0,09 | 4 | -0,11 -0,16 | 46 | |
| 92 | 4.52 | 60.6 | -0,03 -0,02 | 54.4 | 3.1 | 0.02 -0,03 | 59 |
| 87 | 4.5 | 67 | -0,15 -0,10 | 60 | 3.5 | -0,06 -0,11 | 60 |
| 77 | 4.5 | -0,08 -0,13 | 65 | ||||
| 88 | 8 | 68 | 4 | -0,075 -0,125 | 58 | ||
| D f1 ±0,5 | S 3 ±0,05 | D o | D 1 | S f1 | B ±05 | ||
| 88 | 4.5 | 68 | 0.15 0.10 | 60 | 4 | -0,07 -0,12 | 60 |
| 87 | 4.5 | 69 | 0.19 0.14 | 65 | 2 | -0,03 -0,08 | 64.5 |
| 103 | 4.52 | 70.7 | 0.09 -0,04 | 63.7 | 3.5 | 0 -0,05 | 65 |
| 103 | 4.52 | 63.3 | 3.7 | 0.01 -0,04 | 73 | ||
| 86.4 | 4.5 | 72 | 0.15 0.09 | 65 | 3.5 | -0,08 -0,13 | 64.5 |
| 95 | 4.52 | 0.27 0.21 | -0,045 -0,095 | 71.5 | |||
| 95 | 3.5 | 0.09 0.03 | -0,015 -0,065 | 64 | |||
| 108 | 3.5 | -0,03 -0,08 | 75 | ||||
| 87 | 4.5 | 0.11 0.06 | 0.01 -0,04 | 53 | |||
| 95 | 4.52 | 0.27 0.21 | -0,045 -0,095 | 67.5 | |||
| 99 | 4.5 | 74 | 0.19 0.14 | 70 | 2 | -0,03 | 74 |
| 112 | 4.6 | 77 | 0.27 0.21 | 3.5 | -0,08 | 89.5 | |
| 95 | 4.5 | 0.14 0.09 | -0,04 -0,10 | 72 | |||
| 112 | 4.52 | 0.27 0.21 | -0,005 -0,055 | 89.7 | |||
| 93 | 6 | 78 | 0.15 0.09 | 4 | -0,09 -0,14 | 71 | |
| 93 | 8 | 80 | 0.16 0.10 | 5 | -0,075 -0,125 | 70 | |
| 107 | 4.5 | 83 | 75 | 4 | -0,07 -0,13 | 74 | |
| 97 | 10 | 85 | 0.17 0.12 | 5 | -0,10 -0,16 | 79.5 | |
| 97 | 5 | 0.155 0.095 | 70 | ||||
| 120 | 3.8 | 92.6 | 0.16 0.09 | 85 | 3.8 | 0.06 0 | 93 |
| 120 | 6 | 93 | 4 | -0,11 -0,17 | 94 | ||
Le dimensioni sopra menzionate sono solo di riferimento, HZ può produrre le parti secondo i disegni del cliente.

Ti risponderemo entro 12 ore dal giorno lavorativo.
Huazhou è specializzata nella ricerca e sviluppo, produzione, vendita e assistenza di prodotti per cuscinetti autolubrificanti come una delle grandi imprese globali.
Huazhou è dotata di attrezzature e personale di ricerca e sviluppo di fascia alta e dispone di oltre 200 set di attrezzature di varie dimensioni, tra cui avvolgitrici, punzonatrici, smussatrici completamente automatiche, avvolgitrici completamente automatiche, linee di sinterizzazione di materie prime, ecc. È inoltre dotato di migliaia di set di utensili di macinazione e l'efficienza produttiva dei suoi prodotti ha raggiunto un nuovo livello. I campioni vengono prodotti in 3 giorni, con una produzione giornaliera di 500.000 pezzi e una produzione annua di centinaia di milioni di pezzi.
L'introduzione di oltre 260 attrezzature speciali, dotate di decine di migliaia di stampi, più di 150 professionisti e 30 linee di produzione automatiche.
I nostri prodotti vengono venduti in varie province della Cina e ampiamente utilizzati in varie industrie di macchinari, Volkswagen, BYD, ecc., e con standard internazionali, esportano in Russia, Malesia, Tasania, Iraq, Romania e altri 16 paesi.
